| |
|
|
|
|
|
| |
|
|
| |
二位四通 滑阀
|
|
| |
|
|
|
|
| |
| |
|
|
|
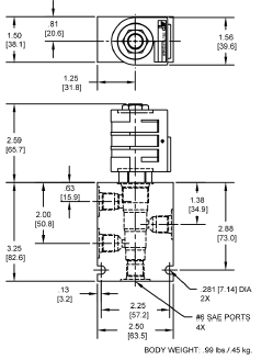
描述:
5/8
MINI 系列, 二位四通滑阀 |
|
|
|
|
| |
|
|
|
|
|
描述:
高压 5/8
MINI 系列, 二位四通滑阀 |
|
|
|
技术参数
|
| 额定流量:1.5
GPM (6 L/Min) |
| 最大工作压力:4000
PSI (276 bar) |
| 典型内泄(150
SSU):131ml/min |
| 响应时间(全流量时平均值):30毫秒至45毫秒 |
| 过滤精度:30微米(名义) |
| M=MD型电磁线圈电压和插头形式选型 |
| 阀体尺寸和管口螺纹选型 |
|
|
| |
| |
|
|
 |
描述:
5/8
MINI 系列,二位四通电磁直动式滑阀-中位封闭 |
|
|
|
技术参数
|
| 额定流量:1.5
GPM (6 L/Min) |
| 最大工作压力:3000
PSI (207 bar) |
| 典型内泄(150
SSU):82ml/min |
| 响应时间(全流量时平均值):30毫秒至45毫秒 |
| 过滤精度:30微米(名义) |
| M=MD型电磁线圈电压和插头形式选型 |
| 阀体尺寸和管口螺纹选型 |
|
|
|
| |
|
|
|
|
 |
描述:
高压 5/8
MINI 系列,二位四通电磁直动式滑阀-中位封闭 |
|
|
|
技术参数
|
| 额定流量:3
GPM (11 L/Min) |
| 最大工作压力:4000
PSI (276 bar) |
| 典型内泄(150
SSU):131ml/min |
| 响应时间(全流量时平均值):30毫秒至45毫秒 |
| 过滤精度:30微米(名义) |
| M=MD型电磁线圈电压和插头形式选型 |
| 阀体尺寸和管口螺纹选型 |
|
|
| |
| |
|
|
 |
描述:
3/4
POWER 系列,二位四通交叉旁通滑阀 |
|
|
|
|
| |
|
|
| |
|
|
 |
描述:
3/4
POWER 系列,二位四通交叉旁通滑阀 |
|
|
|
|
| |
|
|
| |
|
|
 |
描述:
3/4
POWER 系列,二位四通电磁直动式滑阀-中位回油箱 |
|
|
|
|
| |
|
|
| |
|
|
 |
描述:
3/4
POWER 系列,二位四通底部回流交叉旁通滑阀 |
|
|
|
技术参数
|
| 额定流量:2.5
GPM (9 L/Min) |
| 最大工作压力:3000
PSI (207 bar) |
| 典型内泄(150
SSU):82ml/min |
| 响应时间(全流量时平均值):30毫秒至45毫秒 |
| 过滤精度:30微米(名义) |
| P=PQ型电磁线圈电压和插头形式选型 |
| 阀体尺寸和管口螺纹选型 |
|
|
|
| |
|
|
| |
|
|
 |
描述:
7/8
DELTA 系列,二位四通侧流滑阀 |
|
|
|
技术参数
|
| 额定流量:10
GPM (38 L/Min) |
| 最大工作压力:3000
PSI (207 bar) |
| 典型内泄(150
SSU):82ml/min |
| 响应时间(全流量时平均值):30毫秒至45毫秒 |
| 过滤精度:30微米(名义) |
| D=DG型电磁线圈电压和插头形式选型 |
| 阀体尺寸和管口螺纹选型 |
|
|
|
| |
|
|
|
|
 |
描述:
高压 7/8
DELTA 系列,二位四通侧流滑阀 |
|
|
|
技术参数
|
| 额定流量:10
GPM (38 L/Min) |
| 最大工作压力:4000
PSI (276 bar) |
| 典型内泄(150
SSU):164ml/min |
| 响应时间(全流量时平均值):30毫秒至45毫秒 |
| 过滤精度:30微米(名义) |
| D=DG型电磁线圈电压和插头形式选型 |
| 阀体尺寸和管口螺纹选型 |
|
|
| |
|
|
 |
描述:
7/8
DELTA 系列,二位四通侧流滑阀 |
|
|
|
技术参数
|
| 额定流量:5
GPM (20 L/Min) |
| 最大工作压力:1000
PSI (69 bar) |
| 典型内泄(150
SSU):49ml/min |
| 响应时间(全流量时平均值):30毫秒至45毫秒 |
| 过滤精度:30微米(名义) |
| L型电磁线圈电压和插头形式选型 |
| 阀体尺寸和管口螺纹选型 |
|
|
| |
|
|
 |
描述:
二位四通常开电磁滑阀-动力换档和制动系统应用 |
|
|
|
技术参数
|
| 额定流量:5.28
GPM (20 L/Min) |
| 最大工作压力:1000
PSI (69 bar) |
| 典型内泄(150
SSU):50ml/min |
| 响应时间(全流量时平均值):30毫秒至45毫秒 |
| 过滤精度:30微米(名义) |
|
|
| |
| |
|
|
 |
描述:
7/8
DELTA 系列,二位四通常态封闭滑阀 |
|
|
|
技术参数
|
| 额定流量:10
GPM (38 L/Min) |
| 最大工作压力:3000
PSI (207 bar) |
| 典型内泄(150
SSU):82ml/min |
| 响应时间(全流量时平均值):30毫秒至45毫秒 |
| 过滤精度:30微米(名义) |
| D=DG型电磁线圈电压和插头形式选型 |
| 阀体尺寸和管口螺纹选型 |
|
|
|
| |
|
|
|
|
 |
描述:
7/8
DELTA 系列,二位四通常态封闭滑阀 |
|
|
|
技术参数
|
| 额定流量:10
GPM (38 L/Min) |
| 最大工作压力:3000
PSI (207 bar) |
| 典型内泄(150
SSU):82ml/min |
| 响应时间(全流量时平均值):30毫秒至45毫秒 |
| 过滤精度:30微米(名义) |
| L型电磁线圈电压和插头形式选型 |
| 阀体尺寸和管口螺纹选型 |
|
|
| |
| |
|
|
 |
描述:
7/8
DELTA 系列,二位四通电磁直动式滑阀-中位回油箱 |
|
|
|
|
| |
|
|
|
|
 |
描述:
高压 7/8
DELTA 系列,二位四通电磁直动式滑阀-中位回油箱 |
|
|
|
技术参数
|
| 额定流量:8
GPM (30 L/Min) |
| 最大工作压力:4000
PSI (276 bar) |
| 典型内泄(150
SSU):164ml/min |
| 响应时间(全流量时平均值):30毫秒至45毫秒 |
| 过滤精度:30微米(名义) |
| L型电磁线圈电压和插头形式选型 |
| 阀体尺寸和管口螺纹选型 |
|
|
| |
| |
|
|
 |
描述:
7/8
DELTA 系列,二位四通底部回流滑阀 |
|
|
|
|
| |
|
|
|
|
 |
描述:
高压 7/8
DELTA 系列,二位四通底部回流滑阀 |
|
|
|
技术参数
|
| 额定流量:8
GPM (30 L/Min) |
| 最大工作压力:4000
PSI (276 bar) |
| 典型内泄(150
SSU):164ml/min |
| 响应时间(全流量时平均值):30毫秒至45毫秒 |
| 过滤精度:30微米(名义) |
| L型电磁线圈电压和插头形式选型 |
| 阀体尺寸和管口螺纹选型 |
|
|
| |
| |
|
|
 |
描述:
7/8
DELTA 系列,二位四通串/并联滑阀 |
|
|
|
|
| |
|
|
|
|
 |
描述:
高压 7/8
DELTA 系列,二位四通串/并联滑阀 |
|
|
|
技术参数
|
| 额定流量:8
GPM (30 L/Min) |
| 最大工作压力:4000
PSI (276 bar) |
| 典型内泄(150
SSU):164ml/min |
| 响应时间(全流量时平均值):30毫秒至45毫秒 |
| 过滤精度:30微米(名义) |
| L型电磁线圈电压和插头形式选型 |
| 阀体尺寸和管口螺纹选型 |
|
|
| |
| |
|
|
 |
描述:
7/8
DELTA 系列,二位四通滑阀(通电封闭) |
|
|
|
|
| |
|
|
|
|
 |
描述:
高压 7/8
DELTA 系列,二位四通滑阀(通电封闭) |
|
|
|
技术参数
|
| 额定流量:6
GPM (23 L/Min) |
| 最大工作压力:4000
PSI (276 bar) |
| 典型内泄(150
SSU):164ml/min |
| 响应时间(全流量时平均值):30毫秒至45毫秒 |
| 过滤精度:30微米(名义) |
| L型电磁线圈电压和插头形式选型 |
| 阀体尺寸和管口螺纹选型 |
|
|
| |
| |
|
|
 |
描述:
高压 1
1/16 TECNORD系列,二位四通交叉旁通滑阀 |
|
|
|
|
| |
|
|
| |
|
|
 |
描述:
高压 1
1/16 TECNORD系列,二位四通串/并联滑阀 |
|
|
|
|
| |
|
|